Hydnet – Tryckfilter till Hydrostatiska system

Dette billede illustrere Hydnet – Tryckfilter till Hydrostatiska system

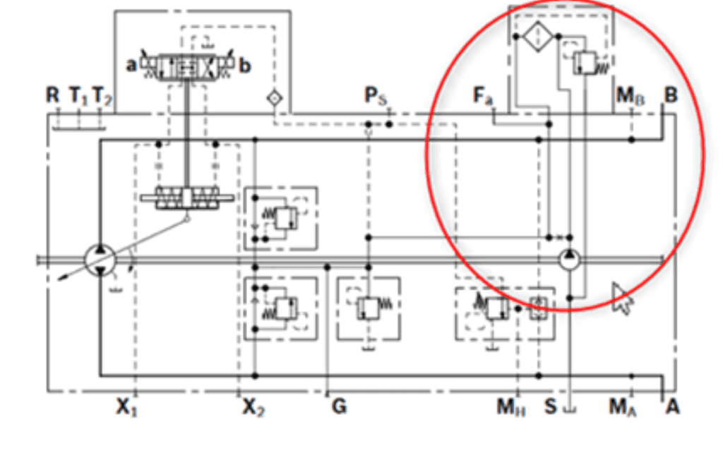
För skydd av ställdon Pump & Motor med Schroeder filter 14-CRZX10.

Generellt sätt kommer nästan all smuts in i hydraul systemet vid kallstart när filter by-passar. Detta elimineras med användning av tryckfilter som tål det höga trycket = Oljan tvingas genom filtrering i alla lägen.

Tryckfilter 14-CRZX10 är litet och smidigt & kan sättas i special tillverkat ventilblock med tryckbegränsningsventil, som ovan sketch. Tryckbegränsaren går till tank eller sug-sidan av pumpen.

Elektronisk tryckgivare *som option* kan också användas för kontroll av filtertryck, vid indikering av högre tryck från givaren rekommenderas byte av filter. 

Vid igensatt filter upprätthålls inte trycket till servostyrningen och då stannar maskinen vilket tvingar användare till byte av filter.

Tryckfilter för blockinbyggnad finns i två storlekar:

  • 14-CRX10 Blockinbyggnad 23 lpm
  • 20-CRX10 Blockinbyggnad 45 lpm 

 Kontakta oss gärna om du vill veta mer!

Läs också: Fler ventiler...

Lämna ett svar

Din e-postadress kommer inte publiceras. Obligatoriska fält är märkta *

Cookie-inställningar